|
Home Up Daily Success is Possible Lester Summit II Battery Chargers Lester Charger Parts Taylor-Dunn Chargers Yamaha Chargers PBM Battery Chargers Quick Charge Battery Chargers ChargePlus Battery Chargers DPI Chargers, Inverters and Converters PowerMAX Converters and Chargers Pro Charging Systems - Dual Pro Chargers Canada Shipping and other Countries

| |

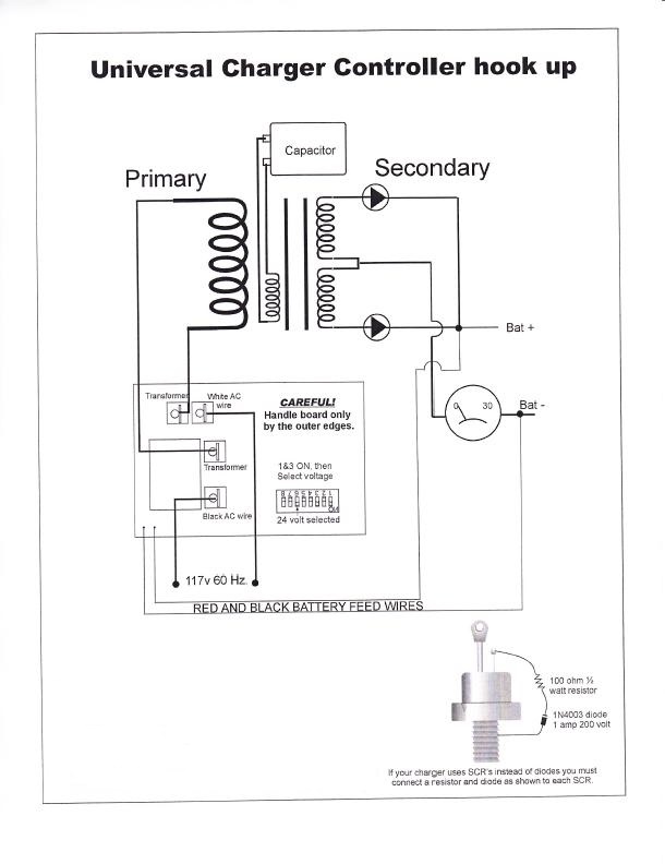
All purpose Charger Controller for Lester, Mac, E-Z-Go
and other ferroresonant chargers - 12, 24, 36 & 48 volts up to 25 amps
ONE controller replaces all other charger controllers or mechanical timers.
Field programmable for 12, 24, 36, and 48 volt. One tri color LED indicates (RED) bulk
charge,(YELLOW) 80% charged,
and (GREEN) finish.
Three modes of positive shut off. Universal mounting pattern fits most cases. Made
in U.S.A.
| Picture |
Model |
Price |
Buy |
 |
Universal Charger Controller
with dip switches to
set for desired voltage
Has Tri colored LED
indicates charging
status |
$129.99
delivered |
NLA |
Installation Instructions
pg 1
Installation Instructions pg 2
|